网站首页
新闻中心
通知公告
行业新闻
走进物协
物业沙龙
以案说法
招聘信息
招标信息
招标公告
中标公告
政策法规
业主大会
教育培训
培训信息
行业专家
首页
新闻资讯
通知公告
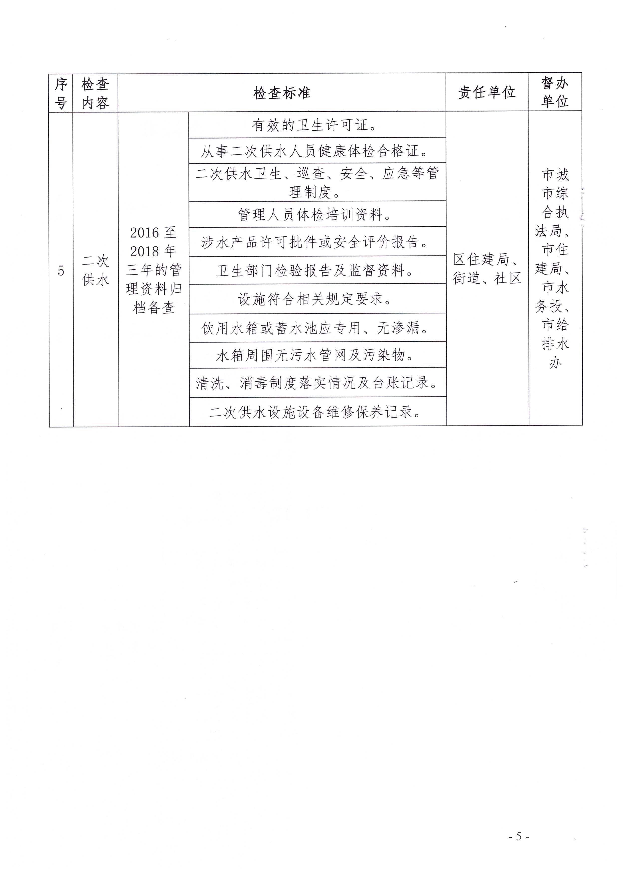
关于认真做好2019年创建全国卫生城市有关工作的通知
关于认真做好2019年创建全国卫生城市有关工作的通知
1310
2019-08-27 21:39:21
上一篇
关于城区老旧小区进行专项整治的方案
下一篇
衡阳市住房和城乡建设局关于切实做好物业管理小区疫情防控工作的紧急通知
最新发布
关于在全市物业管理区域开展消防通道 专项治理的通知
关于加强物业服务企业安全台账 管理的通知
关于印发《衡阳市源头治理物业领域矛盾的意见》的通知
关于加强物业服务区域电动自行车 停放充电管理的紧急通知
关于开展衡阳市城区物业服务行为和收费行为2023年“双随机、一公开”部门联合检查情况的通报
关于公布衡阳市2020年度物业服务企业信用评价结果的通知
关于确定衡阳市物业服务行业评标专家的通知
关于公布衡阳市2019年度物业服务企业信用评价结果的通知
关于衡阳市2019年度物业服务企业信用评价结果的公示
关于表彰物协会员单位在衡阳市“创文、创卫”活动中的情况通报